讲到接触器,大家应该都熟悉,有朋友问交流接触器按钮接线图及接线编号,事实上接触器接线图详解,这到底是咋回事?事实上德力西交流接触器的价格呢,下面小编就为大家说说接触器接线图详解,一起来了解下吧。
接触器接线图详解
1、首先电源三相分别接接触器的主触点L1,L2,L3,再从接触器的T1,T2,T3接出三根线接电机的三个接线柱,以上是主电路。
2、控制电路:从L1引出一根线接停止按钮(停止按钮是常闭的,启动按钮是常开的,这个应该知道吧!)从停止按钮出来接启动按钮一端和接触器辅助触点的一端,然后从启动按钮的另一端接辅助触点的另一端(这部分也就是自锁),从这一端出来的线接线圈A1,线圈A2出线接L2或L3。

工作原理
1、接触器的工作原理是:当接触器线圈通电后,线圈电流会产生磁场,产生的磁场使静铁芯产生电磁吸力吸引动铁芯,并带动交流接触器点动作,常闭触点断开,常开触点闭合,两者是联动的。
2、当线圈断电时,电磁吸力消失,衔铁在释放弹簧的作用下释放,使触点复原,常开触点断开,常闭触点闭合。直流接触器的工作原理跟温度开关的原理有点相似。
主要结构
1、交流接触器利用主接点来控制电路,用辅助接点来导通控制回路。
2、主接点一般是常开接点,而辅助接点常有两对常开接点和常闭接点,小型的接触器也经常作为中间继电器配合主电路使用。
3、交流接触器的接点,由银钨合金制成,具有良好的导电性和耐高温烧蚀性。
4、交流接触器动作的动力源于交流通过带铁芯线圈产生的磁场,电磁铁芯由两个「山」字形的幼硅钢片叠成,其中一个固定铁芯,套有线圈,工作电压可多种选择。为了使磁力稳定,铁芯的吸合面加上短路环。交流接触器在失电后,依靠弹簧复位。
1、下图为交流接触器按钮接线图。

2、交流接触器按钮接线图工作原理:
2.1、启动时,按下启动按钮,由电源来的控制电流经断路器--电源线--停止按钮--自锁线--启动按钮--启动线--线圈A2到线圈A1,接触器线圈得电吸合,
主触点接通负载,辅助常开点闭合自保持(自锁)。此时松开启动按钮,由于接触器辅助常开点已经闭合短接了启动按钮,接触器仍保持得电运行状态。
2.2、停机时,按下停止按钮--控制回路断电--接触器弹出复位--主触头断开负载辅助触点断开控制回路,松开停止按钮,由于辅助常开点(自锁点)已经复位,接触器保持断电状态。
交流接触器的工作原理是利用电磁力与弹簧弹力相配合,实现触头的接通和分断的。交流接触器有两种工作状态: 失电状态(释放状态) 和得电状态(动作状态)。
当吸引线圈通电后,使静铁芯产生电磁吸力,衔铁被吸合,与衔铁相连的连杆带动触头动作,使常闭触头断接触器处于得电状态。
当吸引线圈断电时,电磁吸力消失,衔铁在复开,使常开触头闭合,位弹簧作用下释放,所有触头随之复位,接触器处于失电状态。
接触器接线图带指示灯实物图。


两个接触器怎样互锁实物接线图
互锁控制:

双互锁控制:

自锁控制:

自锁定义:交流接触器通过自身的常开辅助触头使线圈总是处于得电状态的现象叫做自锁。这个常开辅助触头就叫做自锁触头。在接触器线圈得电后,利用自身的常开辅助触点保持回路的接通状态,一般对象是对自身回路的控制。如把常开辅助触点与启动按钮并联,这样,当启动按钮按下,接触器动作,辅助触点闭合,进行状态保持,此时再松开启动按钮,接触器也不会失电断开。
在接触器线圈得电后,利用自身的常开辅助触点保持回路的接通状态,一般对象是对自身回路的控制。如把常开辅助触点与启动按钮并联,这样,当启动按钮按下,接触器动作,辅助触点闭合,进行状态保持,此时再松开启动按钮,接触器也不会失电断开。一般来说,在启动按钮和辅助触点并联之外,还要在串联一个按钮,起停止作用。点动开关中作启动用的选择常开触点,做停止用的选常闭触点。
请问,cjx23210接触器详细接线图
主触点1、3、5是进线,2、4、6是出线,辅助触点NO是常开触点,接触器中的10就是表示常开触点,A1、A2接三相电源中的任意两根就OK了。
CJX23210交流接触器
基本组成
电磁系统,包括吸引线圈、动铁芯和静铁芯;
触头系统,包括三组主触头和一至两组常开、常闭辅助触头,它和动铁芯是连在一起互相联动的;
灭弧装置,一般容量较大的交流接触器都设有灭弧装置,以便迅速切断电弧,免于烧坏主触头;
绝缘外壳及附件,各种弹簧、传动机构、短路环、接线柱等。
工作原理
当线圈通电时,静铁芯产生电磁吸力,将动铁芯吸合,由于触头系统是与动铁芯联动的,因此动铁芯带动三条动触片同时运行,触点闭合,从而接通电源。
当线圈断电时,吸力消失,动铁芯联动部分依靠弹簧的反作用力而分离,使主触头断开,切断电源。
使用接法
一般三相接触器一共有8个点,三路输入,三路输出,还有是控制点两个。输出和输入是对应的,很容易能看出来。如果要加自锁的话,则还需要从输出点的一个端子将线接到控制点上面。
首先应该知道交流接触器的原理。他是用外界电源来加在线圈上,产生电磁场。加电吸合,断电后接触点就断开。知道原理后,你应该弄清楚外加电源的接点,也就是线圈的两个接点,一般在接触器的下部,并且各在一边。其他的几路输入和输出一般在上部,一看就知道。还要注意外加电源的电压是多少(220V或 380V),一般都标得有。并且注意接触点是常闭还是常开。如果有自锁控制,根据原理理一下线路就可以了。
型号划分
在电工学上接触器是一种用来接通或断开带负载的交直流主电路或大容量控制电路的自动化切换器,主要控制对象是电动机,此外也用于其他电力负载,如电热器,电焊机,照明设备,接触器不仅能接通和切断电路,而且还具有低电压释放保护作用。
接触器控制容量大。
适用于频繁操作和远距离控制。
是自动控制系统中的重要元件之一。
通用接触器可大致分以下两类。
(1)交流接触器。主要由电磁机构、触头系统、灭弧装置等组成。常用的是CJ10、CJ12、CJ12B等系列。
(2)直流接触器,一般用于控制直流电器设备,线圈中通以直流电,直流接触器的动作原理和结构基本上与交流接触器是相同的。
(3)但现在接触器的 型号都重新划分了。都是AC系列的了。
cjx2交流接触器与时控开关怎么接线图解法
时控开关左边两个接线柱是进线,接电源220伏电源,右边两个接线柱是输出,接接触器线圈。(当然,接触器要选择220V线圈电压。)

接触器是指工业电中利用线圈流过电流产生磁场,使得触头闭合,从而可以控制负载的一种电器。由于其可快速切断主回路,并可频繁地接通与大电流控制电路的装置,因此在电工学中已得到广泛的应用。
时控开关注意事项
1、为防强电流下融点发热,接线时务必拧紧接线柱的螺钉。
2、控制器进线220VAC/50-60HZ电源,切勿接到380VAC。
3、控制器红灯亮有电进入,红、绿灯同时亮开关有电输出。
4、设定的时间,不能交叉设定,应按时间的顺序设定。
交流接触器的接线实物图
交流接触器的接线实物图如下:
交流接触器常采用双断口电动灭弧、纵缝灭弧和栅片灭弧三种灭弧方法。用以消除动、静触头在分、合过程中产生的电弧。容量在10A 以上的接触器都有灭弧装置。交流接触器还有反作用弹簧、缓冲弹簧、触头压力弹簧、传动机构、底座及接线柱等辅助部件。

交流接触器的工作原理:
是利用电磁力与弹簧弹力相配合,实现触头的接通和分断的。交流接触器有两种工作状态: 失电状态(释放状态) 和得电状态(动作状态)。
当吸引线圈通电后,使静铁芯产生电磁吸力,衔铁被吸合,与衔铁相连的连杆带动触头动作,使常闭触头断接触器处于得电状态;当吸引线圈断电时,电磁吸力消失,衔铁在复开,使常开触头闭合,位弹簧作用下释放,所有触头随之复位,接触器处于失电状态。
永磁式交流接触器:
工作原理:永磁交流接触器是利用磁极的同性相斥、异性相吸的原理,用永磁驱动机构取代传统的电磁铁驱动机构而形成的一种微功耗接触器。安装在接触器联动机构上极性固定不变的永磁铁,与固化在接触器底座上的可变极性软磁铁相互作用,从而达到吸合、保持与释放的目的。
软磁铁的可变极性是通过与其固化在一起的电子模块产生十几到二十几毫秒的正反向脉冲电流,而使其产生不同的极性。根据现场需要,用控制电子模块来控制设定的释放电压值,也可延迟一段时间再发出反向脉冲电流,以达到低电压延时释放或断电延时释放的目的,使其控制的电机免受电网晃电而跳停,从而保持生产系统的稳定。
德力西交流接触器的接线图解方法是什么?
先检查接触器的工作电压和控制回路电压是否相符合。 德力西交流接触器接线后不吸合,说明启动回路接线错误。 正确接法如下。 停止按钮常闭输入接电源(L),停止按钮输出接启动按钮,在引一根自锁线到接触器常开输入(NO),常开输出接线圈A1,线圈A2接N线。 启动输出接线圈A1。 如果需要加指示灯,把电源指示灯直接并联到电源上,工作指示灯直接并联到接触器线圈上。

继电器和接触器的基本原理及接线图
继电器:
1、基本原理
线圈通电,动铁芯在电磁力作用下动作吸合,带动动触点动作,使常闭触点分开,常开触点闭合;线圈断电,动铁芯在弹簧的作用下带动动触点复位,继电器的工作原理是当某一输入量(如电压、电流、温度、速度、压力等)达到预定数值时,使它动作,以改变控制电路的工作状态,从而实现既定的控制或保护的目的。在此过程中,继电器主要起了传递信号的作用 。
2、接线图

接触器:
1、基本原理
接触器的工作原理是:当接触器线圈通电后,线圈电流会产生磁场,产生的磁场使静铁心产生电磁吸力吸引动铁心,并带动交流接触器点动作,常闭触点断开,常开触点闭合,两者是联动的。当线圈断电时,电磁吸力消失,衔铁在释放弹簧的作用下释放,使触点复原,常开触点断开,常闭触点闭合。直流接触器的工作原理跟温度开关的原理有点相似。
2、接线图

拓展资料
继电器可靠性的影响因素
1.环境对继电器可靠性的影响:继电器工作在GB和SF下的平均故障间隔时间最高,达到820000h,而在NU环境下,仅60000h。
2质量等级对继电器可靠性的影响:当选用A1质量等级的继电器时,平均故障间隔时间可达3660000h,而选用C等级的继电器平均故障间隔时间为110000,其间相差33倍,可见继电器的质量等级对其可靠性能的影响非常大。
3触点形式对继电器可靠性的影响:继电器的触点形式也会对其可靠性产生影响,单掷型继电器的可靠性都高于相同刀数的双掷型继电器,同时随刀数的增加可靠性逐渐降低,单刀单掷继电器的平均故障间隔时间是四刀双掷继电器的5.5倍 。
4结构类型对继电器可靠性的影响:继电器结构类型共有24种,不同类型均对其可靠性产生影响。
5温度对继电器可靠性的影响:继电器工作温度范围在-25~70℃之间。随着温度的升高,继电器的平均故障间隔时间逐渐下降。
6动作速率对继电器可靠性的影响:随着继电器动作速率的提高,平均故障间隔时间基本呈指数型下降趋势。因此,若设计的电路要求继电器的动作速率非常高,那么在电路维修时就需要仔细检测继电器以便及时对它更换。
7电流比对继电器可靠性的影响:所谓电流比是继电器的工作负载电流与额定负载电流之比。电流比对继电器的可靠性影响很大,尤其当电流比大于0.1时,平均故障间隔时间迅速下降,而电流比小于0.1时,平均故障间隔时间基本不变,因此在电路设计时应选用额定电流较大的负载以降低电流比,这样可保证继电器乃至整个电路不因工作电流的波动而使可靠性降低。
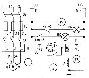
380v交流接触器接线图
380v交流接触器接线图如下图。交流接触器的工作原理是利用电磁力与弹簧弹力相配合,实现触头的接通和分断的。

安装维护
1、安装前应检查有关的技术数据。
2、安装时,应该按规定条件安装,符合人的视觉习惯。
3、对有金属安装底板的接触器要妥善接地。
4、接线端螺钉应拧紧,检查接线正确无误后,应在主触头不带电情况下,先使吸引线圈通电分合数次,试验动作可靠后,才能投入使用。
5、使用时如发现有不正常噪音,可能是铁芯极面上有污物,请擦净极面。
6、使用中,应定期检查产品各部件,要求可动部位不卡住,紧固件无松脱,零部件如有损坏,应及时更换。
