燃气报警器电路图(一)
使用燃气燃料时必须注意安全,若遇意外情况(如水分溢出)造成燃气熄火,而厨房又无人照看时会造成大量燃气外泄,易形成火灾及人身伤害事故。如采用燃气熄火报警器,一旦燃气熄火,它就会发出报警声响,提醒人们及时进行处理。燃气熄火报警器的电路如图所示,电路主要由报警音乐集成电路Y976与少量分立元件组成。

报警集成电路Y976各脚功能为:1脚为报警信号输出端OUT;2脚与3脚分别为报警声响设置端Sl与S2,当Sl、S2都悬空时,报警声为4声/s的BP机声;当Sl接地,S2悬空,为1声/s的BP机声;当Sl悬空、S2接地,为1声/s的“嘟”声;4脚为电源负端Vss;5脚为使能端EN,当EN为低电平时,电路不工作;当EN端为高电平(不小于0.4VDD)或悬空,电路工作输出报警声;6脚与7脚为振荡端,外接振荡电阻,改变6脚、7脚间的外接电阻的数值,可以调节报警声响的频率;8脚为电源正端VDD)。
电路中,RG为光敏电阻器,用来探测燃烧火焰的有无。当燃烧正常时,RG受火焰光线照射而呈低电阻,其阻值一般在lokQ以下,它与RP分压并通过Rl为三极管VT提供足够的基极偏置电流,使VT饱和导通,其集电极输出低电平,使报警集成电路A的使能端5脚处于低电平状态,故集成块A不工作,无报警声响输出。如果因意外事故发生燃气熄火,RG立刻呈现高电阻,它与RP分压不足以维持VT导通,VT就由原来的导通态进入截止态,导致集成块A的使能端5脚为高电平,压电喇叭B就发出4声/s的类似BP机的报警声响,提醒主人处理。Rl与Cl构成短时间延迟电路,具有抑制火焰大小波动对电路可能造成误报的作用。
燃气报警器电路图(二)
该报警电路简单可靠,当可燃气体达到危险浓度时,气敏元件内阻变小,流过电位器W的电流增大,可控硅SCR被触发,蜂鸣器发出报警声,热敏电阻Rt作温度补偿。

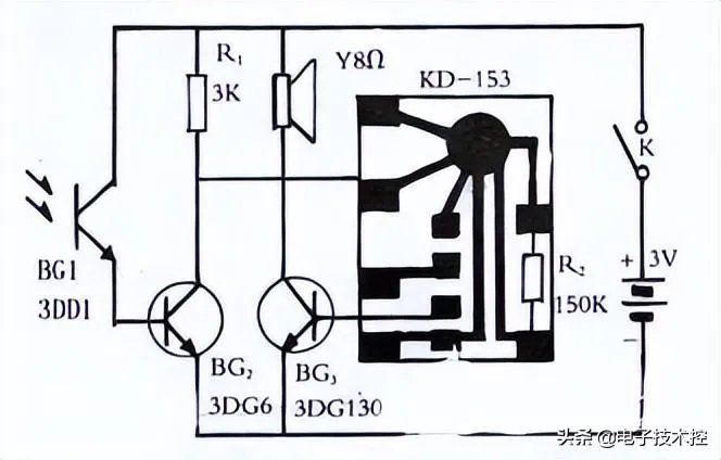
燃气报警器电路图(三) 光敏燃气报警器
用煤气或液化气烧煮过程中汤水溢出,很容易将灶火扑灭,燃气泄漏室内,造成生命和财产严重损失。装一个燃气报警器就可以有效地防止事故的发生,市售燃气报警器都是用气体泄漏报警。这里介绍一个利用音乐贺卡发声片制作的新颖光敏燃气报警器,材料少、制作简单、耗电小,一般情况下只要元件可靠,制作成功以后无需调试,当燃气灶熄火时就能及时发出报警信号。

工作原理:
在燃气灶正常燃烧时,报警器处于待机工作状态。DG1光敏三极管受到火焰照射呈低阻状态,BG2导通,音乐发声片处于低电位不工作,扬声器则不发声。一旦燃气灶突然熄火,光敏三极管失去光照射,其内阻提高,BG2由饱和而转为截止,音乐集成块触发工作,经BG3放大后由报警喇叭发出警告声,提示主人关闭燃气具,及时防止燃气中毒事故发生。
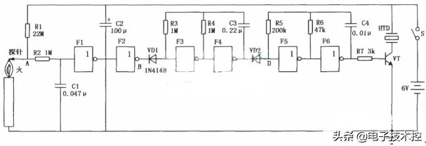
燃气报警器电路图(四)
燃气熄火报警器电路如图所示,它主要由火焰检测电路、放大整形电路以及报警电路三部分组成。电路中的反相器为CD4069。

燃气报警器电路图(五)
煤气报警器电路图:本装置在点燃煤气后便处于检测状态,一旦煤气灶自行熄火时,能自动连续点火并发出音乐报警。
电路原理见图1开关S与煤气灶开关联动。当打开煤气时,开关S闭合,如果此时煤气未被点燃,则光敏电阻R2处于高阻状态,三极管VT1导通,触发音乐集成电路工作,发出音乐。同时变压器T1升压输出一峰值达120Vpp的脉冲电压,经R5经C1充电,并经VD1经C2充电。当C1达到一定电压时,触发管VD2导通,可控硅导通,使已充电的C2通过T2初级和可控硅放电。结果在T2的次级感应出5-10kV高压,由放电针尖端放电,点燃煤气。煤气点燃后,光敏电阻受火焰照射阻值下降,致使VT1截止,音乐奏完后停止,放电亦停止。从电路分析可看出,当煤气火焰再次熄灭后,电路又会自动连续点火,并发出音乐报警。

本装置耗电极小,一般两节5号电池可使用半年以上。开关S可采用适当的行程开关与煤气灶开关安装在一体。音乐集成电路可采用奏乐10秒钟左右的任何一种。光敏电阻选用MGL-45型,制作时将其固定于一圆管中,安装在距火焰10cm处并对准火焰。T1用半导体收音机的输出变压器,倒过来使用。VD1用耐压大于200V的整流二极管。VD2为触发管。C1、C2的值决定放电强度和速度。可控硅用小触发电流的3CTS1、耐压400V。T2可用12吋电视机行输出改制,去掉原低压部分,用Φ=0.35mm的高强度漆包线在原骨架上绕15匝;次级用原高压包去掉整流管即可。放电针用自行车幅条自制,将幅条一端磨尖,两放电针之间以5mm为宜。将开关S引出与煤气开关联动,调整R1使VT1分别在有无火焰时截止和导通。点火器安装在煤气灶的空闲位置,放电针对准煤气喷口。
燃气报警器电路图(六) TRS-109燃气泄漏报警器电路图

